CHI TIẾT SẢN PHẨM
Bộ xả tiểu nhấn không có giảm áp Viglacera VG841.1 được sản xuất theo dây chuyền công nghệ Ý, đáp ứng tiêu chuẩn kỹ thuật cao về độ bền và hiệu năng sử dụng. Sản phẩm được chế tạo từ inox cao cấp, phủ lớp mạ Crom/Ni chống oxy hóa, giúp duy trì bề mặt sáng bóng và hạn chế bám bẩn.
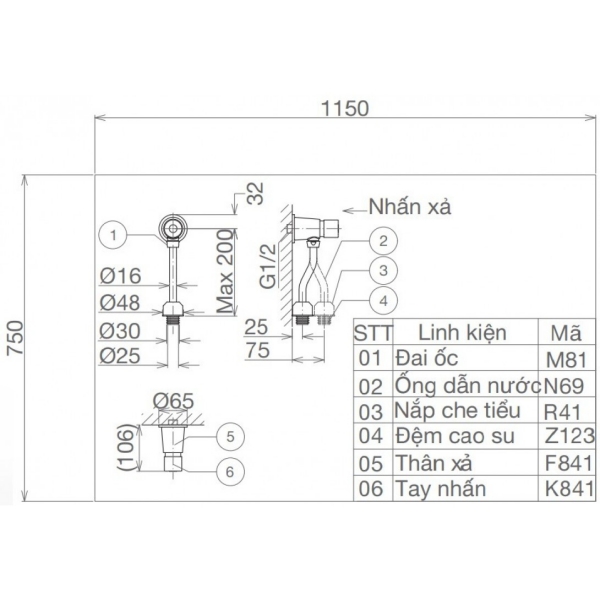
Thông số kỹ thuật bộ xả tiểu nhấn không có giảm áp Viglacera VG841.1
- Mã sản phẩm: VG841.1
- Loại sản phẩm: Van xả bồn tiểu nam dạng nhấn, không có giảm áp
- Chất liệu: Inox mạ Crom/Ni
- Công nghệ: Ý
- Hãng sản xuất: Viglacera
- Xuất xứ: Việt Nam
Tính năng nổi bật bộ xả tiểu nhấn không có giảm áp Viglacera VG841.1
- Bộ xả tiểu nhấn không có giảm áp VG841.1 sử dụng cơ chế nhấn xả trực tiếp giúp tiết kiệm nước và dễ thao tác trong quá trình sử dụng.
- Cấu tạo từ inox mạ Crom/Ni giúp tăng khả năng chống gỉ, giữ bề mặt sáng mịn và ngăn ngừa ăn mòn hiệu quả.
- Sản phẩm được sản xuất bằng công nghệ Ý hiện đại, đảm bảo độ chính xác và độ bền trong từng chi tiết.
- Cấu trúc không có giảm áp giúp lắp đặt nhanh chóng, hạn chế các bước kỹ thuật phức tạp, phù hợp với nhiều không gian vệ sinh khác nhau.
- Van xả vận hành ổn định, đảm bảo xả sạch hoàn toàn sau mỗi lần sử dụng, góp phần duy trì vệ sinh cho khu vực công cộng và gia đình.
- Bộ xả tiểu Viglacera VG841.1 có khả năng chịu áp lực nước tốt, không rò rỉ và vận hành bền bỉ theo thời gian.

Danh mục: Thiết Bị Vệ Sinh / Van Xả Tiểu
Thương hiệu: Thiết Bị Vệ Sinh VIGLACERA
Review Bộ xả tiểu nhấn không có giảm áp VG841.1
Chưa có đánh giá nào.