Vòi Lavabo TOTO TLG04301B vàng hồng mờ mang đến giải pháp điều chỉnh nước nóng lạnh linh hoạt cho lavabo âm bàn hoặc lavabo có lỗ gắn vòi trên chậu. Sản phẩm nổi bật nhờ thân van bằng đồng thau chắc chắn, van đĩa bằng sứ chống bám cặn và lớp mạ bền vững, đảm bảo sử dụng lâu dài và ổn định.
Thông số vòi Lavabo TOTO TLG04301B vàng hồng mờ
- Áp lực nước: 0.05MPa ~ 0.75MPa
- Chất liệu: Đồng
- Bao gồm bộ chặn nước xả ty, không gồm ống thải chữ P
- Xuất xứ: Trung Quốc
Tính năng nổi bật vòi Lavabo TOTO TLG04301B vàng hồng mờ
- Vòi Lavabo TOTO TLG04301B điều chỉnh nước nóng lạnh mượt mà, đáp ứng nhu cầu sử dụng hằng ngày.
- Thân thấp giúp lắp đặt dễ dàng cho lavabo âm bàn hoặc lavabo có lỗ gắn vòi trên chậu.
- Thân van bằng đồng thau tăng độ bền và chống oxy hóa theo thời gian.
- Van đĩa bằng sứ chống bám cặn giúp khóa nước hoàn toàn và duy trì hiệu suất ổn định.
- Lớp mạ bền vững giữ màu sắc lâu dài, hạn chế trầy xước và ăn mòn.
- Vòi Lavabo TOTO TLG04301B vàng hồng mờ thiết kế hài hòa với dòng sản phẩm GA Series tạo sự đồng bộ cho không gian phòng tắm.
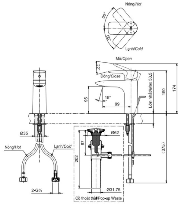
Bản vẽ kỹ thuật vòi Lavabo TOTO TLG04301B vàng hồng mờ

Danh mục: Thiết Bị Vệ Sinh / Vòi Lavabo / Vòi Lavabo TOTO
Thương hiệu: Thiết Bị Vệ Sinh TOTO
Review Vòi Lavabo TOTO TLG04301B vàng hồng mờ
Chưa có đánh giá nào.