Bát sen cầm tay TOTO TBW02006B#BFG màu vàng pháp mờ 3 chế độ được thiết kế với đầu sen đường kính lớn 220mm, mang lại khả năng bao phủ dòng nước rộng rãi. Sản phẩm tích hợp 3 chế độ massage, mang đến trải nghiệm tắm thư giãn và đa dạng.
Thông số bát sen cầm tay TOTO TBW02006B#BFG màu vàng pháp mờ 3 chế độ
- Tên sản phẩm: Bát sen massage 3 chế độ
- Bao gồm gác sen, không bao gồm cút nối tường
- Đường kính: 220 mm
- Lớp mạ: Nickel Chrome
- Xuất xứ: Trung Quốc
Tính năng nổi bật bát sen cầm tay TOTO TBW02006B#BFG màu vàng pháp mờ 3 chế độ
- Ba chế độ phun massage khác nhau giúp người dùng dễ dàng lựa chọn trải nghiệm tắm phù hợp với từng nhu cầu thư giãn và chăm sóc cơ thể.
- Đường kính đầu sen 220mm tạo ra lượng nước bao phủ lớn, mang lại cảm giác thoải mái và dễ chịu hơn trong quá trình sử dụng.
- Lớp mạ Nickel Chrome trên bát sen cầm tay TOTO TBW02006B#BFG duy trì độ sáng bóng, chống bong tróc và tăng tuổi thọ cho sản phẩm.
- Gác sen đi kèm giúp việc lắp đặt thuận tiện, tối ưu không gian và mang lại sự tiện lợi trong sinh hoạt hằng ngày.
- Bát sen cầm tay TOTO TBW02006B#BFG màu vàng pháp mờ 3 chế độ vận hành ổn định và giữ được hiệu quả phun nước đồng đều, phù hợp cho nhiều môi trường lắp đặt khác nhau.
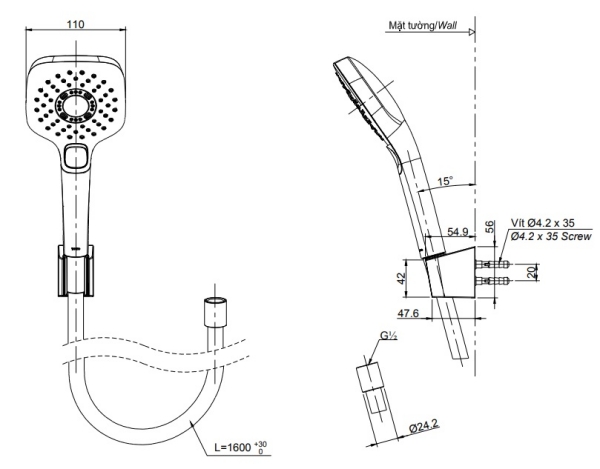
Bản vẽ kỹ thuật bát sen cầm tay TOTO TBW02006B#BFG màu vàng pháp mờ 3 chế độ

Danh mục: Thiết Bị Vệ Sinh / Vòi Sen Tắm / Vòi Sen TOTO / Tay Sen Tắm TOTO
Thương hiệu: Thiết Bị Vệ Sinh TOTO
Review Bát sen cầm tay TOTO TBW02006B#BFG màu vàng pháp mờ 3 chế độ
Chưa có đánh giá nào.