Vòi sen âm tường TOTO TBG13303A/TBN01001B nóng lạnh 1 đường nước mang đến giải pháp đồng bộ cho không gian phòng tắm, kết hợp giữa van điều chỉnh và phụ kiện âm tường trong cùng một sản phẩm. Với thiết kế chú trọng đến sự tiện lợi khi lắp đặt và sử dụng, sản phẩm này đáp ứng nhu cầu thẩm mỹ lẫn công năng, phù hợp cho nhiều công trình từ nhà ở đến khách sạn, căn hộ cao cấp.
Thông số Vòi sen âm tường TOTO TBG13303A/TBN01001B nóng lạnh 1 đường nước
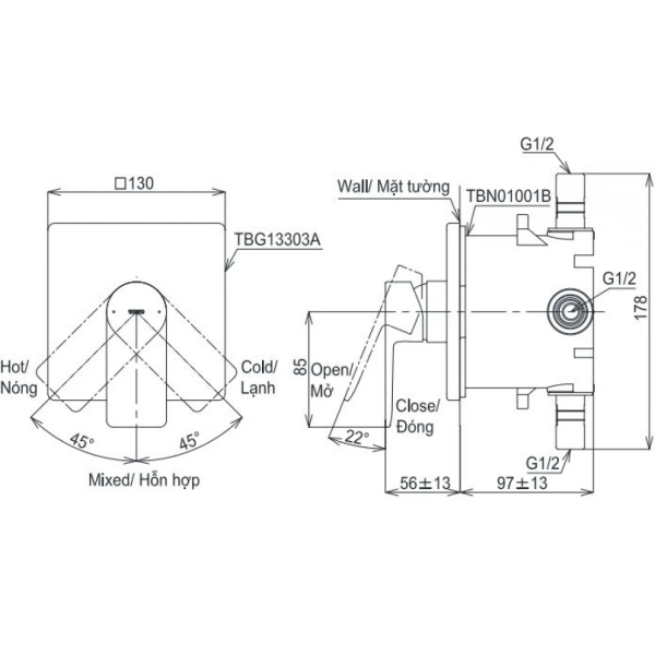
- Mã sản phẩm: TBG13303A/TBN01001B
- Tên sản phẩm: Van gật gù điều chỉnh nóng lạnh GT kèm phụ kiện âm tường
- Áp lực nước: 0.05MPa ~ 0.75MPa
- Lớp mạ: Nickel Chrome
- Xuất xứ: Trung Quốc
- TBG13303A: Van điều chỉnh nước nóng lạnh
- TBN01001B: Phụ kiện âm tường
Tính năng nổi bật Vòi sen âm tường TOTO TBG13303A/TBN01001B nóng lạnh 1 đường nước
- Công nghệ gạt êm, thao tác nhẹ nhàng khi điều chỉnh nhiệt độ và lưu lượng
- Lớp phủ Nickel Chrome bền bỉ, bảo vệ bề mặt khỏi han gỉ và oxy hóa
- Van nóng lạnh kết hợp với nút chuyển hướng, giúp điều chỉnh dòng nước nhanh và chính xác
- Thiết kế âm tường gọn gàng, tối ưu diện tích và mang lại sự tiện lợi trong sử dụng
- Phụ kiện đi kèm đồng bộ, đảm bảo lắp đặt dễ dàng và vận hành ổn định
Bản vẽ kỹ thuật vòi sen âm tường TOTO TBG13303A/TBN01001B nóng lạnh 1 đường nước

Danh mục: Thiết Bị Vệ Sinh / Vòi Sen Tắm / Vòi Sen TOTO
Thương hiệu: Thiết Bị Vệ Sinh TOTO
Review Vòi sen âm tường TOTO TBG13303A/TBN01001B nóng lạnh 1 đường nước
Chưa có đánh giá nào.